Products
Window to the Nano World
Window to the Nano World
SEM
EM-40은 2024년에 출시된 COXEM의 새로운 tabletop SEM 모델입니다. 새롭게 업그레이드된 NanostationV5는 초고속 5세대 신호 처리 기술이 탑재되어, 최대 13fps 프레임의 속도를 가진 고품질의 영상을 고객에게 제공합니다. 직관적인 GUI를 사용하여 영상 작업 시간을 단축시켰으며, 사용자의 취향에 맞춰 이미지 설정을 할 수 있도록 세심하게 설계되었습니다. 또한, X, Y, Z 스테이지 축의 모터구동으로 사용 편리성을 극대화하였으며, 더욱 정밀해진 Auto focus 기능을 통해 초보자도 쉽게 SEM을 사용할 수 있도록 하였습니다.
EM-40PE는 EM-40의 파생모델로 좀 더 큰 크기의 샘플 및 47x47mm 표준 멤브레인 필터 위 파티클 분석에 최적65x65mm compact EDS와 feature 분석 기능의 조합은 속도와 정확성이 요구되는 파티클 분석 어플리케이션에 이상적인 성능을 제공합니다.
Overview
NanoStation5는 직관적인 인터페이스를 기반으로 설계되어 초보자부터 전문가까지 쉽게 SEM을 운용할 수 있습니다.
이미징, 분석, 데이터 관리 기능을 하나의 플랫폼에서 효율적으로 수행할 수 있습니다.
Key Benefits
Overview
시료 로딩 시 광학 NaviCAM 이미지를 자동 저장하여 SEM 이미지와 시료 위치를 쉽게 매칭할 수 있습니다.
Key Benefits


Overview
Variable Pressure 기술은 시료 표면에서 발생하는 charging 현상을 억제하여 절연체 시료도 안정적으로 관찰할 수 있도록 합니다.
Key Benefits
Overview
Deep3D는 BSE 이미지를 기반으로 시료의 표면을 3D로 재구성이 가능합니다.
이를 통해 시료의 표면 형상을 정밀하게 분석할 수 있습니다.
Key Benefits
Overview
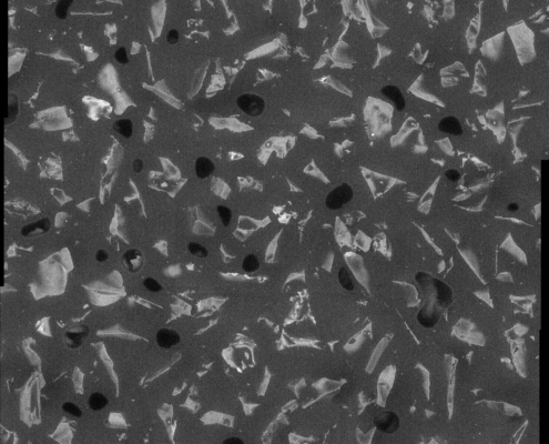
SEM 이미지를 기반으로 시료 내 입자의 개수, 크기, 형상 및 분포를 자동으로 분석할 수 있는 소프트웨어입니다.
재료 연구, 분말 분석, 품질 관리 등 다양한 분야에서 정량적 입자 분석을 지원합니다.
Key Benefits


Overview
넓은 영역을 자동으로 스캔하고 이미지를 자동으로 스티칭하여 대면적 이미지를 생성합니다.
시료 전체의 구조를 한 번에 분석할 수 있어 재료 분석 및 품질 검사에 매우 유용합니다.
Key Benefits
Overview
STEM 기능을 통해 나노 구조 및 생물학 시료의 투과 이미징이 가능합니다.
Key Benefits
Overview
수분 및 열에 민감한 시료를 자연 상태 그대로 관찰할 수 있는 SEM 저온 분석 솔루션
Cooling Module은 수분을 포함한 시료 및 열에 민감한 시료를 안정적으로 관찰할 수 있도록 지원하는 저온 분석 솔루션입니다.
시료를 저온으로 냉각함으로써 수분 증발, 변형, 오염(Contamination)을 최소화하고, 보다 자연에 가까운 상태에서 고해상도 이미징을 구현합니다.
간편한 장착 구조와 안정적인 온도 제어 기능을 통해, 기존 SEM으로는 어려웠던 바이오 시료, 고분자, 식품 등의 관찰을 가능하게 합니다.
Key Benefits

