생명과학
Window to the Nano World
Window to the Nano World
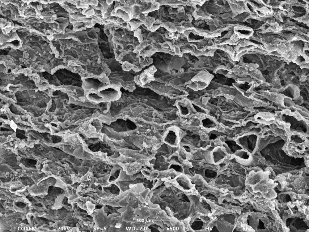
생명과학 분야에서는 SEM을 주로 활용하여 세포, 단백질, DNA와 같은 나노스케일의 구조를 관찰하여 표면을 시각화합니다.
코셈은 SE, BSE, Coolstage 등의 최신 기술을 적용한 SEM을 제공하여 생체 시료의 구조를 효과적으로 분석할 수 있도록 지원합니다.
이를 통해 생명과학 및 의료 분야에서 코셈의 제품을 활용하면 보다 정확하고 신뢰할 수 있는 연구 결과를 얻을 수 있습니다.