Products
Window to the Nano World
Window to the Nano World
Ion Beam Polisher
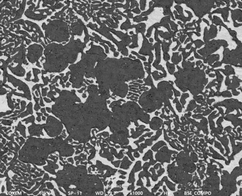
IP Series(IP-8K/IP-10K)는 아르곤 이온빔을 이용해 시료의 단면을 정밀하게 가공하는 장비로, 미세 구조 분석을 위한 고품질 단면을 제공합니다.
아르곤 이온빔 기반 단면 가공을 통해 기계적 연마에서 발생하는 변형층, 크랙, 오염을 최소화하며, 결함 없이 깨끗한 단면을 형성하여 SEM, EDS 분석의 신뢰도를 높입니다.
또한 Cooling Module 및 Air Protection 옵션을 통해 열 및 산화에 민감한 시료도 안정적으로 가공할 수 있으며, 금속, 세라믹, 배터리 등 다양한 소재에 제약 없이 적용 가능합니다.
“Precision Polishing for Perfect Analysis”
Overview
Ion-beam polishing은 진공 환경에서 이온빔을 이용하여 시료 표면을 스퍼터링(sputtering) 방식으로 가공함으로써 구조 손상이 거의 없는 매끄러운 단면을 형성하여 시료의 내부 구조를 보다 정확하게 관찰할 수 있도록 합니다.
기계적 연마 방식은 연마 과정에서 물리적 손상이나 오염이 발생할 수 있지만, Ion-beam polishing은 구조 손상이 거의 없는 매끄러운 단면을 형성하여 시료의 내부 구조를 보다 정확하게 관찰할 수 있도록 합니다.
Key Benefits


Overview
Cross-section Milling은 시료 표면의 일부를 마스크로 보호한 상태에서 노출된 영역에 이온빔을 조사하여 정밀한 단면을 형성하는 가공 방식입니다.
이 방식은 금속, 세라믹, 배터리 전극 등 다양한 소재의 내부 구조관찰 및 분석에 최적화되어 있습니다.
Key Benefits




Overview
시료를 전용 홀더에 장착한 후 Flat Milling을 수행하면, 회전 중심축을 기준으로 수 mm² 영역이 이온빔에 의해 가공됩니다.
시료 스테이지의 각도 조절 및 회전을 통해 균일한 표면 연마가 가능하며 넓은 영역에 이온빔을 조사하여 표면층을 제거할 수 있어 대면적 시료 전처리에 효과적입니다.
Key Benefits




Overview
Peltier Cooling Module은 이온 밀링 과정에서 발생하는 열을 빠르게 제거하여 시료 표면의 열 축적을 방지함으로 –25°C 수준의 안정적인 온도 환경을 유지할 수 있습니다.
이러한 온도 제어는 단면 가공 시 발생할 수 있는 열 변형, 표면 번짐, 미세 구조 손실 등을 최소화하여 보다 정밀한 분석을 가능하게 합니다.
Key Benefits




Overview
시료와 대기가 완전히 차단되도록 설계되었으며, 해당 모듈을 Ion-beam Polisher에서 단면가공을 수행한 후 SEM에서 분석하거나, SEM에 바로 장착하여 표면을 관찰할 수 있습니다.
이를 통해 대기 노출로 인한 시료 손상없이 정확하고 신뢰성 높은 분석이 가능합니다.
Key Benefits