Life Science
Window to the Nano World
Window to the Nano World
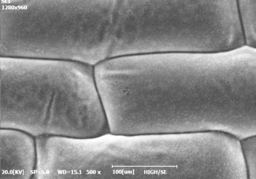
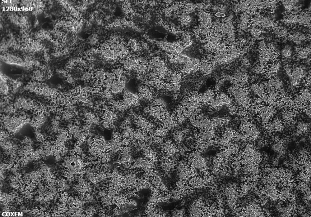
To understand cells, proteins, and DNA, scientists are now actively using scanning electron microscopy to directly visualize surface structures of cells and macromolecules at nanometer resolution.
COXEM provides multiple useful techniques with its leading scanning electron microscope, such as SE, BSE, and cool stage, to investigate morphological structures of these biological specimens.
The data acquired can provide valuable insights into scientists in leading research labs and hospitals, as well as professors and students in universities.